|
1.
NÁZEV ÚLOHY
Úvodní strana
JK KO jako čítač.
2.
ZADÁNÍ
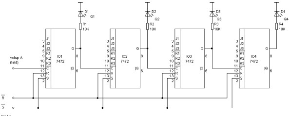
Prakticky ověřte funkci čítače 7490 a 7493 pomocí čtyř JK
klopných obvodů sestavených z hradel NAND.
Ověřte správnost funkce
jednotlivých JK KO a poté
proveďte zapojení čítače 7490 a 7493
pomocí výukové
stavebnice DOMINOPUTER
a programu RC 2000.
Vstupní jednotka - modul
LOG
SELECTOR:
tlačítko
A0 použijte na ovládání vstupu "J" ("S") JK KO,
tlačítko
A1
použijte na ovládání vstupu "T" ("C") JK KO,
tlačítko A2 použijte
na ovládání vstupu "K" ("R") JK KO,
tlačítko
A3
použijte na ovládání vstupu "S" JK KO,
tlačítko A4 použijte
na ovládání vstupu "R" JK KO,
Výstupní jednotka - modul PC PIO
INTERFACE:
dioda A0
- použijte na zobrazení stavu výstupu Q,
dioda A1
- použijte na zobrazení stavu výstupu Q,
dioda A2
- použijte na zobrazení stavu výstupu Q,
dioda A3
- použijte na zobrazení stavu výstupu Q.
2.1
Proveďte
zapojení JK klopného obvodu z hradel NAND a
definujte stav výstupní proměnné
v závislosti na stavu vstupní
proměnné. Po ověření správné funkce
JK KO proveďte rozšíření zapojení o tři
další zapojení JK KO a dle schématu
zapojte čítač 7490.
Výstupy každého JK KO zobrazte pomocí DATA INPUT A0 - A3 modulu PC PIO INTERFACE.
2.2 Proveďte
zapojení JK klopného obvodu z hradel NAND a
definujte stav výstupní proměnné v
závislosti na stavu vstupní
proměnné. Po ověření správné funkce JK KO
proveďte rozšíření zapojení o tři
další zapojení JK KO a dle schématu
zapojte čítač 7493.
Výstupy každého JK KO zobrazte pomocí DATA INPUT A0 - A3 modulu PC PIO INTERFACE.
2.3 Uveďte
z jakých částí je složen čítač 7490 a 7493 a způsoby jeho
ovládání (náběžná hrana, sestupná hrana).
3.
ÚKOL
3.1 Proveďte
zapojení klopných obvodů dle
zadání:
- ovládání jedotlivých vstupů je zajištěno tlačítky modulu LOG SELECTOR,
- zapojení čítače realizujte pouze pomocí výukové stavenice Dominoputer a proveďte
porovnání pravdivostních tabulek získaných jednotlivým měřením,
- v praxi rovněž zapojte všechny vstupy J a K klopného obvodu - na úroveň H. (Tyto vstupy nejsou ve schématu zapojeny z důvodu větší přehlednosti).
- proveďte
odzkoušení funkce.
3.2 Schéma
zapojení
klopných obvodů překreslete
v editoru elektrotechnických
schémat ProfiCad
a ve formátu EMF vložte do protokolu o
provedení
měření.
4.
PŘÍLOHY
5. POZNÁMKY

|