Analogový osciloskop

    Osciloskop můžeme charakterizovat jako měřicí přístroj, který měřené napětí také zobrazuje jako stopu na stínítku obrazovky. Osciloskop zapojujeme do měřicího obvodu jako voltmetr. Takže jeho vstup musí mít velký vstupní odpor. V praxi se většinou jedná o hodnotu 1 MΩ. Vstupní kapacita musí být co nejmenší, většinou bývá kolem 20 pF. Pro měření napětí na vysokých kmitočtech je důležitá kompenzace vstupního děliče.

        Pro odečítání měřených hodnot ( napětí a času ) jsou vstupní děliče ( napěťový a časová základna ) kalibrované. Hodnoty jsou udány v hodnotě / dílek. V podstatě se jedná o měřicí konstantu pro daný rozsah. Stupnici zde představuje stínítko obrazovky, které je rozděleno čtvercovým rastrem na dílky. Analogové osciloskopy mívají 8 – 10 dílků vodorovně a 6 -8 dílků svisle.

      Obrazovky analogových osciloskopů se od obrazovek televizních podstatně liší. Hlavní rozdíl je ve způsobu vychylování paprsku. U televizních obrazovek je vychylování elektromagnetické. Tento princip je daleko účinnější, ale je omezený kmitočtovým rozsahem. Kdyby osciloskopy tento způsob používaly, nemohly by měřit napětí o vysokých kmitočtech. Projevovaly by se negativně velké indukčnosti vychylovacích cívek. U analogových osciloskopů se tedy používá vychylování paprsku elektrostatické. Nevýhodou je malý vychylovací úhel. Proto osciloskopické obrazovky větších rozměrů jsou delší a zvětšují rozměry celého přístroje.

       Obrazovky jsou vzduchoprázdné, letící elektrony na žádné částice nemohou narážet a měnit směr. Stínítko tvoří vrstva luminoforu, která náraz elektronu přemění na světelný záblesk. Tyto vrstvy mají u současných osciloskopů nazelenalou nebo namodralou barvu. Vrstva luminoforu, zrovna jako katoda, není nevyčerpatelná. Životnost je omezená. Proto je nutné, jestliže není přístroj v měřicím režimu, snižovat jas .

    Osciloskopy většinou využíváme v režimu YT, to je pozorování a měření časového průběhu napětí nebo v režimu XY, to je vzájemné pozorování dvou vstupních signálů s vypnutou časovou základnou.

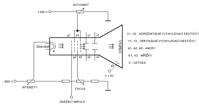
      Obrazovka v podstatě pracuje na principu elektronky. Svazek elektronu vzniká na žhavící elektrodě – katodě. Dále letí sestavou mřížek a urychlovacích anod, které ho formují a ztenčují ( ASTIGMAT ), zaostřují ( FOCUS ), zjasňují ( INTENZITY ) a urychlují. Vychylovací destičky slouží pro vychylování paprsku svisle a vodorovně, aby tvořil požadovanou stopu po dopadu na stínítko. Zhášecí impuls je přiváděn pro zhasnutí stopy při návratu paprsku do výchozího bodu.

Orientační schéma obrazovky analogového osciloskopu.



Blokové schéma analogového dvoukanálového osciloskopu



  1. Vstupy X, Y – analogové vstupy pro přívod měřeného napětí. Impedance = 1MΩ, 15 – 30 pF. Pozor na napěťové omezení.            ( Zpravidla 400 VPP )

  2. Vstupní vazba – může být stejnosměrná – měřené napětí je přiváděno přímo na vstupní dělič nebo střídavá – do série ke vstupu je zapojený kondenzátor pro zamezení průchodu stejnosměrným proudům. Na vstupní dělič tedy prochází pouze střídavé napětí.

  3. Vstup externí spouštění – při vypnutém vnitřním generátoru impulsů ( spouštění ) slouží k přívodu vnějšího spouštěcího kmitočtu.

  4. Vstupní děliče – kalibrované děliče napětí – rozsahy napěťové a rozsah časové základny.

  5. Předzesilovače – vstupní zesilovače.

  6. Multiplex – obvod, který oba měřené napěťové vstupy střídavě přepíná pro zobrazení na obrazovce. Kmitočet přepínání je tak vysoký, že na stínítku běží 2 stopy současně - kanály se střídají s přeběhy ČZ (rychlé běhy ČZ) nebo se stroboskopicky přepínají během běhu ČZ.

  7. Spouštění – synchronizace kmitočtu měřeného napětí s kmitočtem vnitřního generátoru impulsů – časové základny.

  8. Vertikální zesilovač – zesilovač svislé výchylky.

  9. Horizontální zesilovač – zesilovač vodorovné výchylky.

  10. Zatemňování – zhasínání stopy při návratu do výchozího bodu.

  11. Kalibrátor – zdroj normálového obdélníkového napětí o přesně definované hodnotě a kmitočtu. Obvykle 1 VPP a 1 kHz.

  12. Zpožďovací vedení - kompenzuje zpoždění startu časové základny, takže můžeme vidět vstupní signál v okamžiku spuštění.

zpět